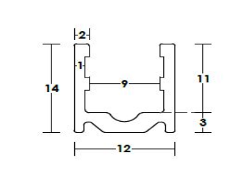
01-311- Canalina diga in alluminio 14x12x14 mm- L= 2200 mm per piatto doccia.
La canalina diga in alluminio modello 01-311 dimensioni 14x12x14 mm – L=2200 mm è progettata per l’installazione su pareti doccia con funzione di contenimento dell’acqua lungo il bordo inferiore o nelle zone di passaggio.
La configurazione a diga consente di creare una barriera discreta ma efficace, contribuendo a limitare la fuoriuscita d’acqua verso l’esterno e migliorando la protezione dell’ambiente bagno.
Realizzata in alluminio, la canalina garantisce leggerezza strutturale, buona resistenza all’umidità e durata nel tempo anche in ambienti soggetti a vapore e acqua. È studiata per integrarsi in modo armonioso con profili e accessori per box doccia.
Ideale per completare installazioni con pareti doccia, assicura funzionalità ed estetica coordinata.
Caratteristiche principali
-
Canalina diga per piatto doccia
- Dimensioni: 14x12x14 mm – L=2200 mm
-
Funzione di contenimento dell’acqua
-
Materiale: alluminio
-
Struttura leggera e resistente
-
Resistente a umidità e vapore
-
Installazione semplice e precisa
Il consiglio di Noi di Gierre Fittings
Per garantire un contenimento efficace, installa la canalina su superficie perfettamente livellata e sigilla correttamente i punti di fissaggio. Una posa accurata fa la differenza nella tenuta nel tempo.














